Paso 5: Cierre y botones de Reset




Yo quería tener el caso original botones funcionan así. Inicialmente sin embargo sobre un botón de encendido físico pero luego decidí en lo que es un comando de apagado de software en lugar de otro para que se minimice la corrupción el problema de la tarjeta SD . (De hecho yo originalmente cortar la Junta para que el pulsador original todavía estaba allí y que iba a usar eso!)
En primer lugar el hardware. Usted puede conseguir poco botones momentáneos con una varilla de plástico alrededor del lugar. He tenido que usé para las edades. La ventaja de la varilla de plástico es que pueden cortarlo a la longitud que usted necesita. Para el interruptor del agujero cuadrado original es apenas el tamaño correcto para el hilo del botón. Jodido en al punto donde es apenas estaba tocando el botón original. Algunos silicio selló en su lugar. Para el reset botón cortar el eje de la original Sega botón reset hacia atrás ligeramente. Luego perforé el orificio en el eje que el botón se encuentra en un poco para que mi botón tornillo en él. Esto llevó a cabo resistente así que lo dejé en aquel.
Para el cableado pasé por un montón de repeticiones para hacer las cosas bien. Hay un montón de guías sobre cómo conectar un botón pero no tantos sobre varios botones. Por fin he encontrado esta y esta y esta:
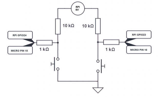
De todo esto cableado los dos pulsadores como se muestra en el diagrama en la parte superior. También de interés partí el cable "GPIO" para ir a los pines de Arduino 16 y 10 así como los pernos de la Raspberry PI. Es así que puedo usar los botones de una pulsación de teclado via Arduino o hacer algo directamente sobre la Pi de frambuesa (ej. enviar un comando de apagado)
Para el software usé el dibujo de aquí. Sólo tenga en cuenta que el diagrama de la página es para el encabezado de 26 pines. Un buen diagrama para la cabecera de 40 pines que encontré aquí. Una cosa agradable sobre este sketch es que efectivamente tiene cuatro botones, pulse brevemente y pulsación larga para la potencia de ambos botones y restablecimiento.
Se puede ver la adición para el sketch de Arduino en el paso 4. Para la frambuesa Pi el código Python que usé es:
Tienes que instalar el módulo uinput probablemente si quieres pulsaciones de teclas para trabajar. En este momento lo tengo en el código pero no lo estoy usando como encontré que las prensas no se detectaron por los emuladores. Por lo tanto, por qué tengo la configuración dual del uso de arduino para hacer ésos. He dejado la capacidad aunque en el caso de ocurre algo en el futuro.
También es probable que usted tendrá que instalar el módulo GPIO como se describe aquí.