Paso 1: Construir el circuito del relé de 5 Volt



















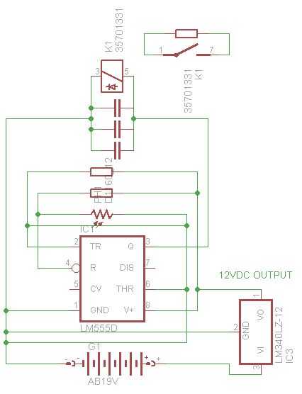
Paso 1. Conecte el temporizador 555 en Junta.
Paso 2. Aplicar los cables de corriente y tierra al chip del temporizador.
Paso 3. Conecte el relé de 5v (estoy usando el estilo de interruptor reed) en el tablero, salida de Temporizador 555 para alimentación del relé y tierra a tierra la aplicación.
Paso 4. Conecte el pin 2 y pin 6 del timer 555 con un cable puente.
Paso 5. Conectar resistencia de 470K de alimentación al pin 2.
Paso 6. Conecte resistencias de 470K de alimentación al pin 4.
Paso 7. Conecte photoresistor del pin 4 a pin 6.
Paso 8. Conectar el pin 6 a tierra con cable de puente.
Paso 9. Conecte un diodo de Zener-no para que el cátodo se conecta con el lado de alimentación del relé y el ánodo se conecta al lado tierra del relé. (Se utiliza para mantener chispas a suceder cuando el relé se enciende y apaga)
Paso 10. Conectar resistencia de 470 ohm del poder a un extremo abierto del contacto de conmutación. Este paso difiere dependiendo en grado de relé y lo que va en la conmutación del relé.
Paso 11. Conectar LED a otros contacto abierto y tierra. Este paso difiere dependiendo en grado de relé y lo que va en la conmutación del relé.
Paso 12. Regulador de enchufe 12v en el tablero.
Paso 13. Conectar la tierra del regulador a tierra y el pin de salida a la energía en el tablero. (Su energía de la fuente de pared está conectado a la energía de entrada del regulador).
Paso 14. Conecte un capacitor de salida a tierra del regulador. (Recuerde: sus condensadores deben estar clasificados para manejar el voltaje de la fuente.) (Recuerde: sus condensadores deben estar clasificados para manejar el voltaje de la fuente.)
Paso 15. Conecte uno o más condensadores con el lado de alimentación del relé, recuerda cuanto mayor sea la calificación (a punto) mejor! (Voy a explicar por qué en el último paso instructable)
Paso 16. Si usted planea utilizar una fuente de pared, hacer no sólo ir por lo que la pared verruga está clasificado!!! (Como lo demuestran dos de las fotos arriba) Aunque no creo que la verruga de la pared era inmune a las diferencias en su calificación, así que use un multímetro para comprobar si la ACTUAL tensión y amperaje.