Paso 3: Agregar un sistema de Control






Ahora que hemos construido el chasis, tenemos que decidir cómo queremos que funcione. En general, hay dos sistemas de control.
- AI-automatización
- Control remoto
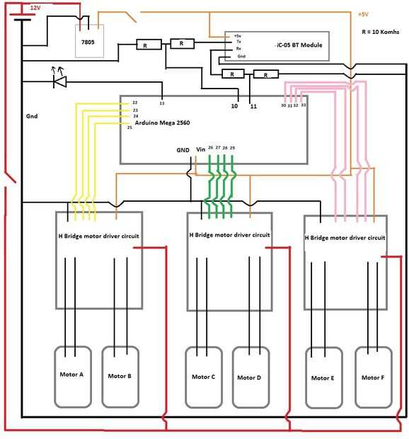
Automatización de un robot es un desafío. Es definitivamente difícil de implementar que el control remoto. En este proyecto que mantenemos ambas opciones abren instalando un arduino para automatización. Este arduino está conectado también a un módulo Bluetooth (ver PCB) que puede utilizarse para el control remoto. En el control remoto el cerebro real detrás de movimiento del robot es un cerebro humano, ahora imagina si un cerebro humano es ayudado por un toque de automatización (ejemplo: automatización de una ayuda para evitar contacto del objeto).
Yo controlaba el ATV a través de un dispositivo android por bluetooth. Hay un montón de aplicaciones disponibles en playstore para controlar arduino a través de bluetooth. He usado Arduino BT Joystick. Usted puede descargar haciendo clic aquí.
Adjunto diagrama del circuito y el código al final de este instructivo.
Obviamente, no hay límite a lo que puede hacer con este chasis. Así que si tienes algunas interesantes ideas por favor compartan conmigo en los comentarios. Gracias por la lectura.