Paso 1: Unir las partes

-16 x LED
-4 x resistencia entre 100 a 1K
-1 x Arduino (yo he usado un Uno)
-1 x Breadboard
-Cables
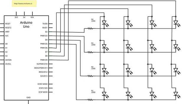
En matriz de punto utilizamos un LED por cada pixel.
Parece muy simple, pero en lugar de cableado separado a los LEDs, debemos utilizar bus compartido.
Según cuadro adjunto, he utilizado un bus compartido (alambre) para cada fila y cada columna en una forma rectangular de 4 x 4.
Cátodos están conectados como columnas y ánodos como filas.
Ahora, contamos con 8 alambres para controlar 16 LED.
Conecte los cables a los pines 2 a 9 del arduino.
Utilizar las resistencias de los cables del cátodo.