Paso 5: Experimentando con Arduino





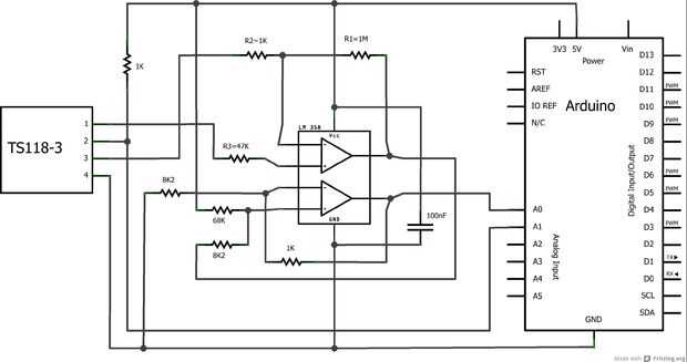
Rápidamente se dio cuenta que tenía un problema. Los pines analógicos en el Arduino pueden leer voltajes positivos entre 0 y 5V. Pero el sensor produce un voltaje negativo por debajo de 25oC. Hace que nuestras lecturas mal! La solución es cambiar el voltaje. El sensor Lee unos 4.4mV a 100oC y de - 0.6mV a 0oC. Esa es una diferencia de 5mV. Ahora es práctico! Si añadimos 0.6 v a la salida del op-amp obtenemos un rango de 0-5V para enviar a Arduino. Perfecto!
Ello utilizamos un circuito amplificador sumador. El segundo amplificador en el LM358 viene bien después de todo.
En los cuadros del tablero de pan verás que realmente utilicé un LM358 adicional para hacerlo menos confuso para alambre para arriba y la vista.
Se adjunta el código boceto.
El programa es sencillo y apenas salidas de las lecturas de la termocupla y el termistor a través del puerto serie.
Nota:
El circuito es muy sensible por el sensor sólo outputing milli-voltios.  La temperatura parece fluctuar violentamente con cualquier interferencia.
El circuito se parece agregar sobre 0.6mV a la lectura cruda de la termopila.  Cuenta para esto en el sketch con una constante llamada poder.
El sensor lee la temperatura en toda la zona que ve.  El sensor sólo hay que ver el objeto medido y nada más para obtener una lectura precisa de la temperatura.			













