Paso 1: El Plan

Esto es cómo voy a hacer el repelente.
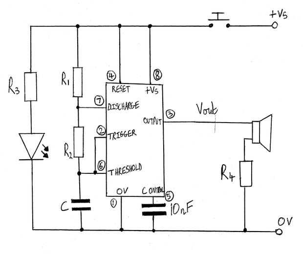
La frecuencia de la salida de la viruta en esta configuración está dada por la fórmula
Frecuencia = 1.44/((R1 + 2R2) C)
Por experiencia sé que 12.000 Hz es una buena frecuencia para el trabajo, pero no dude en probar otros con diferentes valores de R1, R2 y C (si tienes una placa te recomiendo tratar de una resistencia variable de 100kR como R1 y encontrar una frecuencia adecuada). Tener en cuenta que R1 debe ser de por lo menos 1kR.
12.000 = 1.44/((R1 + 2R2) C)
1.44/12.000 = (R1 + 2R2) C
1.44 /(12,000 x 0.0000001) = R1 + 2R2 = 1200
He utilizado 100nF como mi valor para el condensador y usaremos un 1kR resistor R1 y un 100R para R2.
Como que va a utilizar una batería PP3 de 9V para + Vs y mi LED rojo tiene una caída de voltaje de 2V y dibuja 30 mA de corriente, necesito idealmente R3 para ser 233.3R. Tengo resistencias de 220R, pero ya que tienen 1% de tolerancia (es decir, ir hasta 222.2R) no son adecuados para proteger el LED contra exceso de corriente. El siguiente valor más alto de resistencia en mi fuente es 270R, que limitaría el LED para dibujo 25.9mA – perfectamente aceptable. Revise las calificaciones de su LED – no te quejes a mí si sus calificaciones son diferentes a la de mía y sopla!
Ley de Ohm: corriente = voltaje/resistencia
Por lo tanto la resistencia = voltaje/corriente
(9-2) V / (30 x 10-3) A = 233.3R
R4 es aumentar la impedancia (resistencia de leer) de la salida en el altavoz. Como con la resistencia de los LEDs, menos resistencia significa más corriente y como potencia (en vatios) está dada por x corriente voltaje, menos resistencia significa poder más. "¡ Agradable!" Oigo observación en su mejor voz de Jeremy Clarkson, pero no así cuando se intenta pasar 2W en un altavoz diseñado para tomar un máximo de 0. 25W y te queda con un imán de caro. Leer las especificaciones para su altavoz – hacer las matemáticas y tienen como objetivo para la potencia nominal y no pasar de la potencia máxima. La potencia nominal de mi altavoz es 1W con una potencia máxima de 1.5W. Una resistencia de 47R para R4 en serie con el altavoz de mi 8R dará 1.02W de poder (que mide la salida del 555 como 7.5V con una fuente de 9V).