Paso 4: Cableado (1 de 2)


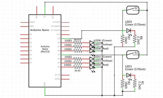
El cableado de arduino es bastante simple y se muestra en el esquema de abajo. Se conectan los componentes para el semáforo y el sensor en el St de S primer a D2-D5, terminales D5-D9 están cableados para la luz y el sensor en E segundo St.
Para iniciar el cableado, poner la hoja de acrílico superior boca abajo y coloque la hoja del media con las ranuras de cableado en la parte superior. Coloque algunos de los tornillos flojos y apriete ligeramente para evitar que las hojas en su lugar mientras cableado hasta. Continuar desde aquí a colocar los cables.
Un interruptor de láminas, colocado en el hueco pequeño en el centro del carril de la derecha se utiliza como un detector. Un led en el lado derecho de la carretera que se conecta en serie con el interruptor reed actuará como indicador. Cuando un coche está esperando en la posición de los detectores, que el led se encenderá y una señal alta se enviará a D5/D9. Aunque el Arduino tiene una resistencia interna de pull-down, una resistencia de 10K externa se utiliza como un resistor de pull-down. Esto era necesario porque en mBlock, que se utilizará para programar el Arduino, no es posible activar la resistencia de pull-down interno de Arduino.
Ahora soldar el interruptor de láminas, dos resistencias y los LEDs entre sí y conectar los tres cables de conexión a tierra, D5 o D9 y 5v de Arduino. Cabe un firme una voluntad tomar algún tiempo para hacer las cosas bien. En la imagen debajo de la posición de los componentes se muestran cuando se ve desde la parte superior. Tire del extremo de los cables por el hueco en la posición de Arduino.