Paso 3: Prototipo: hacer una onda cuadrada



Hay algunas maneras para obtener una compuerta NAND para darle una onda cuadrada. Vamos a utilizar una forma que requiere una puerta, resistencia y condensador por oscilador:
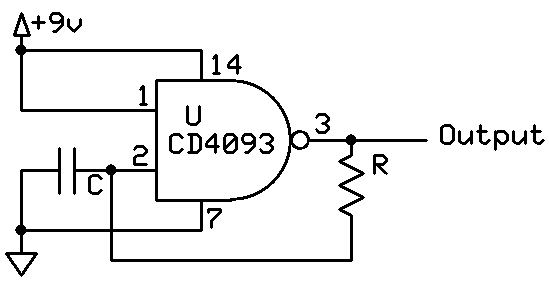
- Cable de una entrada en alto (9 V)
- Conectar una entrada a tierra a través de un condensador
- Conecte la salida a la entrada de puesta a tierra mediante una resistencia
Si observas la salida de esta puerta en un osciloscopio/escuchar y encienda los valores de condensador y resistor, usted notará que puede aproximar la frecuencia de la onda cuadrada por f = (1 / (r x c)). Por ejemplo, cuando c = 470 pf y r = 10 megaohms, f = 212 Hz (medida en 250 Hz). Aquí es donde los números números de máxima resistencia muy útiles para conseguir una idea de qué tipo de valor de la capacitancia para elegir.
En Resumen, si utiliza este circuito y cambiar la resistencia puede cambiar la frecuencia. Además, puede activarlo encendido y apagado por la entrada de cables 1 a tierra en vez de alta.