Paso 3: Haga el RTC Breakout Junta...


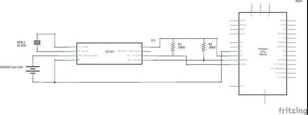
El RTC (reloj en tiempo Real) es, en palabras simples, el cronometrador. He utilizado un DS1307 IC como la RTC. Se utiliza un cristal de 32,768 khz para mantener con precisión el tiempo y se comunica con el Arduino usando I2C. El DS1307 necesita una batería de 3v a tiempo cuando no suministra 5v. He utilizado una celda de moneda para tal fin y este utiliza chip poco tal potencia que la celda tendrá una duración de 8 años!
Pernos de importantes:
- 5V Pin: cuando este pin es alta entonces el ds1307 envía los datos y cuando es baja se ejecuta en la célula del botón de copia de seguridad.
- GND: es el conector de tierra para el módulo. Tanto la tierra de la batería y la fuente de alimentación son atados juntos.
- SCL: es el pin de reloj i2c - que se comunica con el RTC.
- SDA: es el pin de datos i2c - que se comunica con el RTC.
El breakout Junta hace utilizando la RTC fácil; sólo necesita usar estos 4 pines - 5v, Gnd, SDA y SCL. Para hacer el tablero, consulte el diagrama del circuito dado abovr. Aquí están las instrucciones para hacer uno...
- De la soldadura hacia abajo de las tomas, titular de celda de moneda, 4 pines, alambre y componentes...
- Hacer las huellas de soldadura. Utilice el diagrama del circuito en la parte superior para obtener ayuda.
Sí es es un poco desordenado, pero las conexiones son seguras. Prueba con un probador de continuidad. - Pop en el chip DS1307 y la célula de la moneda.
Recuerda poner la celda de moneda más tarde!!!!!!
Ahora que usted ha hecho su breakout Junta RTC, es hora de pasar al siguiente paso...



