Paso 17: Descripción de cómo funciona el circuito.









La pantalla 8 x 8 LED matriz (Créalo o no) está conectada en una matriz. Esto significa que no sólo tienes 2 conexiones para cada led (de los cuales son 64 de LED) en cambio, los LED están conectados de tal manera que podemos encender cada LED en la matriz y para ello, sólo requerimos 16 conexiones (en lugar de hacerlo individualmente 128)
Usted notará que la imagen de la izquierda tiene 64 LED de conectado en una matriz de LED 8 x 8. Hay 8 columnas donde los cátodos están conectados juntos y también 8 filas donde los ánodos están conectados juntos. La imagen de la derecha se utilizará para demostrar cómo obtenemos la matriz para hacer lo que queramos.
(Ver foto 1)Vamos a comenzar hacia fuera agradable y simple. Qué pasa si queríamos enciende solo el LED derecho superior. Pozo. necesitamos el cátodo más adecuado de la tierra y luego conectar el ánodo superior a nuestra fuente de alimentación (+ 5v) a través de un resistor, como este cuadro siguiente:
(VER FOTO 2)Debe también haber adivinado si conectamos a + 5v a la fila superior de los ánodos entonces cada ánodo a la parte superior tendrá + 5v conectado a él. La razón de que sólo el LED derecho parte superior enciende es porque tenemos sólo conectado tierra a la derecha más columna de cátodos. Necesitamos la combinación de + 5v y tierra para completar el circuito para encender cualquier LED o LED que queremos.
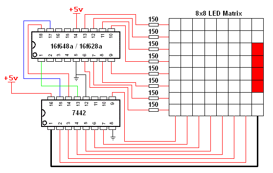
¿Y si nos deseó dar vuelta en una columna entera de LED? Va Ud conecta tu matriz como sigue:
(Ver foto 3)
¿O tal vez quieres encender una fila completa?
(Ver foto 4)Utilizaré este circuito próximo a explicar las cosas un poco más.
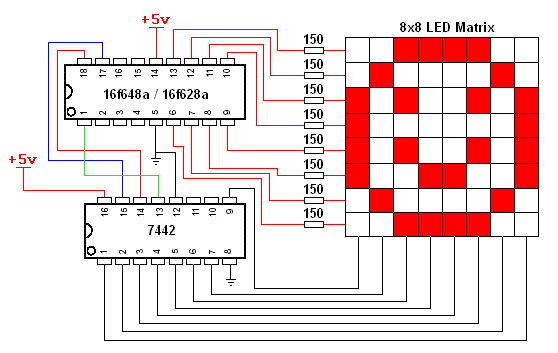
(VER FOTO 5)Para ayudarnos con el análisis de la pantalla, usamos 1 de 10 decodificador 7442.
(Ver foto 6)El 7442 es un chip de 16 pines, por supuesto que tiene una conexión de 5v y tierra para energía. También cuenta con cuatro entradas: A, B, C y D. Finalmente, tiene salidas de 10 - 0, 1, 2, 3, 4, 5, 6, 7, 8 y 9. Es un chip sencillo para trabajar con. Los resultados varían dependiendo de qué combinación de 0 y 1 están en las entradas. Todas las salidas de este chip será una lógica alta excepto uno. Eso dependerá de la entrada. Aquí está un gráfico que muestra lo que será la salida para todas las combinaciones de insumos
(Ver foto 7)
echar un vistazo a la salida del 7442, podemos hacer una de las salidas de baja (o más o menos lo conecte a tierra) dando una cierta combinación de la entrada. Si quisiéramos salida 0 baja entonces entrada 0000 o si queríamos salida 6 baja entonces entrada 0110 etc....
Sólo requieren 8 (de 10) salidas de este chip para ello utilizamos estas 8 combinaciones en la entrada:
000
001
010
011
100
101
110
111
Esto significa que no necesitamos utilizar la cuarta línea de entrada (D) por lo que he conectado directamente a tierra y sólo las primeras tres entradas (A, B y C) están conectadas al microcontrolador por lo que podemos controlarlos. Así que esto significa que tenemos una de estas ocho combinaciones en las entradas:
0000
0001
0010
0011
0100
0101
0110
0111
Así que espero que usted puede ver que mediante el uso de este chip, puede 'Activar' una columna de cátodos a la vez mediante la conexión de una columna a la vez a tierra (lógica 0) y que hacer ello requiere solo 3 líneas de la entrada-salida del microcontrolador - mientras que sin el 7442, habría requerido 8 líneas de E/S y sólo tenemos siete de sobra (porque PORTB se utiliza para los ánodos y pin PORTA 5 no puede ser una salida)
Así que ahora estamos trabajando para dibujar una imagen en la pantalla. Aquí está lo que queremos dibujar:
(Ver foto 8)
Ahora usted puede muy bien preguntar "que es una foto bonita, pero ¿cómo Dibujamos un cuadro con todos los LED encendidos para arriba a la vez si podemos solamente 'activar' una columna a la vez?"
Que me alegro de que pregunta eso! hay un poco más de un truco.
Lo que ves en la matriz de 8 x 8 es un rostro. PERO no todas las columnas están en al mismo tiempo - de hecho sólo una columna está dibujada en cualquier momento pero nos 'escanear' a través de las columnas tan rápidas, que para el ojo humano sólo parece una imagen constante.
Si tuviéramos que desacelerar lo rápido escanear a través de la pantalla, verá algo como la siguiente foto.
(Ver foto 9)
Te darás cuenta que activar una columna, luego coloque ocho bits de datos en el bus de datos y muestra los datos en sólo esa una columna. Luego pasar a la siguiente columna en línea y luego coloque un diferentes de ocho bits de datos en el bus de datos para esa columna. Seguimos haciendo esto hasta llegar al final. Es un marco completo.
Si tuviéramos que hacerlo mucho más rápido entonces nuestro cerebro percibiría esto como una imagen constante. Similar a cómo funciona el monitor de TV o computadora.
Espero que te sirva esta descripción!