Paso 3: Diseño eléctrico



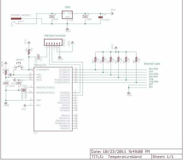
El esquema muestra también una resistencia de 8,2 K va desde 3, 3V a Aref. Tenía una buena razón para usar una resistencia de 8,2 K pero no recuerdo. Funciona bien. El software de Arduino tiene que utilizar analogReference(EXTERNAL) para usar este.
Teoría: Las resistencias de 1,2 K fueron seleccionadas para obtener la mejor resolución para el Arduino. La resolución es de aproximadamente 0,6 grados F. Esto significa que el Arduino sólo puede detectar un cambio de 0,6 grados. Arduino tiene una resolución de 10 bits, por lo que sólo hay 1023 pasos diferentes. La resistencia también fue seleccionada por lo que las temperaturas entre 50 a 100 grados F menos de 3, 3V y legible será por este Arduino.
Seis resistencias están conectadas a las entradas analógicas. Los otros extremos se atan a 5 Vcc. El cable Ethernet está conectado a las entradas analógicas y jardines. (Ver fotos)