Paso 1: 555 Timer Pin diagrama



Figura 1 muestra las conexiones de pines para el temporizador 555, es coger directamente de la hoja de datosde 555 temporizador. Las conexiones de alimentación al chip son a través de los pines 1 (tierra) y 8 (+ Vcc). La tensión de alimentación positiva (+ Vcc) debe estar entre 5 y 15V.
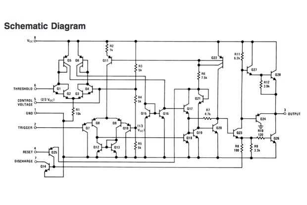
La segunda imagen es un cierre para arriba del diagrama que representa los componentes funcionales internos de la viruta. Consiste en unos pocos elementos: resistencias, transistores, comparadores, un flip flop y una etapa de salida.
Los tres resistores diagramados en la figura 2 son 5kOhm (ver notas de imagen en la figura 3). El propósito de estas resistencias es configurar un divisor de tensión entre Vcc y tierra. Resistencias de todos son el mismo valor sabemos que la tensión en el cruce de las resistencias 2/3Vcc y 1/3Vcc (ver notas de imagen en la figura 2). Estas tensiones se utilizan como voltajes de referencia para los comparadores.
Un comparador es un circuito que compara la entrada con una tensión de referencia y una señal baja o alta basada en si la entrada es mayor o menor voltaje de la referencia las salidas. El temporizador 555 utiliza varios transistores para construir sus comparadores (consulte las notas de la imagen en la figura 3), por lo que en el diagrama funcional simplificado en la figura 2 están representadas por cajas con "comparador de." El comparador conectado al pin 2 compara el "gatillo" de entrada a una tensión de referencia de 1/3Vcc y el comparador conectado en el pin 6 compara el "umbral" del divisor de voltaje de entrada a una tensión de referencia de 2/3Vcc.
Un fracaso de tirón es el circuito que cambia entre dos Estados estables basados en el estado de sus entradas. El 555 flip flop salidas a alta o baja, basado en los Estados de los dos comparadores. Cuando el comparador de disparo es hacer salir una señal baja (independientemente del estado del comparador de umbral), el flip flop cambia alto, cuando ambos comparadores se hace salir una señal de alto, los interruptores flip flop bajo. El momento de una salida de pulsos alta desde el fracaso de tirón puede también ser manual reset (se puede accionar el principio de un pulso) de pulsación el pin de reset baja.
El diagrama funcional en la figura 2 incluye también dos transistores. El transistor conectado al pin 7 es un transistor NPN. Puesto que el pin 7 se conecta al pin de colector del transistor NPN, este tipo de configuración se llama abrir colector o drenador abierto. Este pin está conectado generalmente a un condensador y se utiliza para descargar el condensador cada vez que el pin de salida baja. El transistor conectado al pin 4 es un transistor PNP. El propósito de este transistor es amortiguar el pin de reset, por lo que el 555 no fuente actual de este pin y hacer que sag de tensión.
La etapa de salida del Temporizador 555 se indica en las notas de la imagen de la figura 3. Su propósito es actuar como un amortiguador entre el temporizador 555 y cualquier carga que pueda estar conectado a su pin de salida. La etapa de salida suministra corriente al pin de salida para que el otro componente funcional del Temporizador 555 no tiene que.