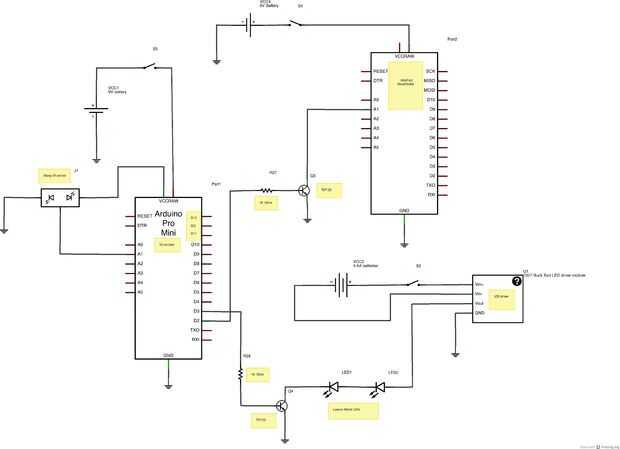
Paso 14: Esquema de la electrónica y código para las botas

Este es un circuito bastante simple. El sensor infrarrojo Sharp entradas un valor en el Arduino que activa las luces de arranque Luxeon y el protector de la onda para reproducir un archivo de audio. Tendrá que cambiar el archivo de audio sonido de arranque al "Sonido2. WAV"en orden para el protector de la onda jugar correctamente.
Aquí está el código-
estas constantes no va a cambiar:
int triggerSensor = 1; el sensor está conectado a la clavija analógica 1
umbral de int = 750; valor de umbral para decidir cuando el sensor de entrada activa
int ledPin = 3; pin de control de LED
int soundPin = 2; pin de control de tarjeta de sonido
estas variables va a cambiar:
int sensorReading = 0; variable para almacenar el valor leído desde el perno del sensor
void setup() {}
Serial.Begin(9600); utilizar el puerto serie
pinMode (ledPin, salida); establece el pin LED como salida
pinMode (soundPin, salida); establece el sonido pin como salida
digitalWrite (ledPin, LOW); Apagar LED
digitalWrite (soundPin, bajo); Apagar el sonido
}
void loop() {}
leer el sensor y almacenarlo en la variable sensorReading:
int val = analogRead(triggerSensor);
Si la lectura del sensor es mayor que el umbral:
Si (val > = umbral) {}
Serial.println(Val);
digitalWrite (soundPin, HIGH); activar el sonido
Delay(10); Espere diez milisegundos
digitalWrite (soundPin, bajo); Apagar el sonido
digitalWrite (ledPin, HIGH); Encienda el LED
Delay(2400); Espere dos segundos
digitalWrite (ledPin, LOW); Apagar el LED
}
}