Paso 2: configuraciones






En este paso, que estoy explicando la fabricación del sensor original de Touche para Arduino por Hobye Mads.
Mads Hobye es compartir "Touche para Arduino: avance de detección táctil" que enseñarnos paso a paso de cómo hacer Touche sensor para Arduino. Arduino es la manera mejor y cómoda para hacer pruebas y prototipos interactivos.
Parte del hardware:
Siguiendo por esta instrucción;
1. preparar piezas de montaje como "Imagen 2/A"
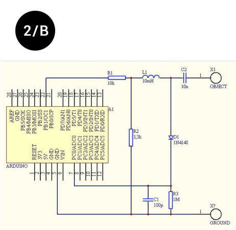
2. la Asamblea como "Imagen 2/B" (o "Imagen 2/C" para la prueba protoboard)
3. Conecte el sensor al Arduino y una planta como "Imagen 2/D" y "Imagen 2/E".
Parte del software:
El código original de Touche sensores con Arduino se pueden seguir a continuación de la instrucción:
(Foto 2/F describe proceso hardware y software por diagrama)
1. Arduino código
Con el fin de obtener datos por hardware (tocar el sensor), el código puede ser descargado de https://github.com/Illutron/AdvancedTouchSensing y subido a la placa Arduino a través de USB por software de Arduino que puede descargarse en www.arduino.cc
2. procesamiento de código
Después de eso utilizar las variables consiguió de hardware, código de procesamiento puede ser descargado de https://github.com/Illutron/AdvancedTouchSensing y el compilador de procesamiento que puede descargarse en http://www.processing.org. Entonces el código se puede ejecutar mediante el procesamiento. Después de ejecutarlo, se mostrará la interfaz que muestra las detecciones. De este código, diferentes versión de la misma han sido editado y añadido como mi objetivo. Sin embargo, Touche no está diseñado especialmente para las plantas. Por lo tanto, un número de ajuste son necesarias. El prototipo mecánico de teclado viven fue editado de este código.
Cuadro 2/A - conjunto de partes para la fabricación de sensores de Touche
Cuadro 2/B - diagrama de montaje
Cuadro 2C - diagrama de montaje para las pruebas en protoboard
Cuadro 2/D - el sensor montado de Touche conectado a Arduino y una planta de
Cuadro 2/E - Diagrama de instrucciones de montaje
Cuadro 2/F - diagrama de proceso de Software y Hardware
Puedes ver el contenido original en