Paso 3: Circuito del conductor para VFD




Este circuito controlador nos hace capaces de utilizar el VFD con Arduino o cualquier MCU de nuestra elección (funcionando a 5V).
1) los filamentos del VFD requiere un voltaje máximo de 3, 3V.
Por lo tanto, para estar en un lado más seguro, nos mantenga en 3V. O bien los filamentos pueden calentarse rojo...!!
Puede comprobar la resistencia de los filamentos con un multímetro y calcular el valor de resistencia según su necesidad y gancho para arriba como se muestra en la imagen de arriba.
Pero asegúrese de que la caída de voltaje en el filamento no puede superar 3V!!!.
2) los ánodos y las rejillas de la VFD deben buscarse mediante la aplicación de voltajes a los pines del VFD en caso si no sabes la configuración de pines.
Después de encontrar los pins para ánodos y rejillas-
Sabemos que necesitamos un alto voltaje positivo en el ánodo y rejilla para encenderla.
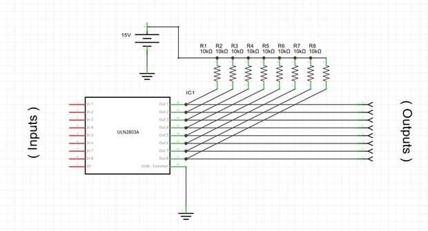
Para ello, conecte las clavijas de los ánodos y rejillas por separado a las resistencias y transistores como se muestra en el circuito anterior.
Para minimizar el número de transistores, puede utilizar un Array de transistores Darlington - ULN2803 o el ULN2003, de fácil interconexión con Arduino o cualquier MCU.
Alternativamente, puede utilizar arreglos de resistencia en lugar de solo resistencias como las resistencias de pull-up.
* Nota - una lógica alta en cada pin del ULN2803 / ULN2003 se apagará el pin respectivo. Por lo tanto, para encender, aplicar una lógica bajo las clavijas requeridas del ULN2803 / ULN2003.
3) después de terminar la construcción del circuito, conectar el paso de DC-DC salida módulo de circuito para el levante de resistencias como se muestra y también conectar el módulo a la fuente de 5V.
4) de la energía el circuito y el programa...!!!