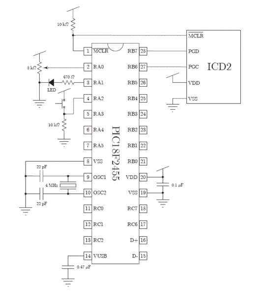
Paso 3: El circuito


El único cambio que debe realizarse para este proyecto es reemplazar el LED y su resistencia con el cable para la señal de control. Así que en vez de conectar el pin 3 a una resistencia y luego a un LED y luego a tierra, sólo conectar el pin 3 al cable blanco, amarillo del servo. El bloque de ICD2 representa el programador PIC que utiliza, sustituir su propia si quieres. Además, no olvide conectar la alimentación del servo y conexión a tierra.
El potenciómetro (conectado al pin 2 del limpiador) se utiliza aquí como un divisor de tensión. Un divisor del voltaje es simplemente dos resistencias en serie con un contacto en el medio en el que se mida el voltaje. En este caso el potenciómetro está de las resistencias y ajustamos sus proporciones relativas ajustando el potenciómetro. Que se utilizará en este proyecto como una entrada analógica que nos permite variar la duración de los pulsos de la señal de control.
La segunda imagen es una versión más grande del esquema. El solo muestra mejor el tamaño mostrado en la página.