Paso 2: El circuito

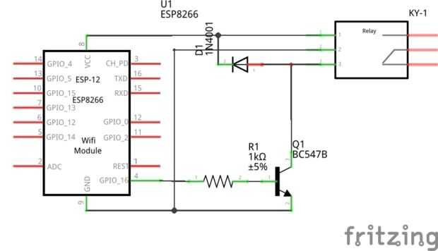
El circuito que se utiliza para controlar el relé con la esp8266 usa un BC547B transistor, una resistencia de 1K y un diodo 1N4001.
Conecté el cable de control de GPIO16 en el esp pero podría utilizarse cualquiera de los pines GPIO.
- El emisor del transistor se conecta a tierra junto con el pin GND del relé.
- La base del transistor está conectada al pin de control del ESP a través de la resistencia de 1K.
- El colector del transistor está conectado al pin de control en el relé que está también conectado a VCC a través del diodo.
Su un circuito muy simple que cambia el pin de control del relé para conectar a tierra cuando el pin GPIO va alta.