Paso 7: Equilibrio sus serie bancos

Ah, el debate interminable acerca de balancear tus condensadores estupendos. Esto es duro, y te diré por qué. Hay muchos métodos diferentes de balanceo para condensadores estupendos, pero parece que todo el mundo tiene una preferencia diferente. Esta información puede ser difícil de encontrar. Así, mayoría de los métodos de balanceo de limitará los límites de carga y descarga de su capacitor super. Lo que significa que posiblemente se niegan la función del circuito equilibrado o dañar el equilibrio del circuito si usted carga en una corriente alta, o a una alta corriente de descarga. Circuitos de equilibrio personalizados están disponibles, pero son caros y tienen todavía limitaciones. Sí, incluso para Maxwell balanceo de circuitos.
Personalmente, prefiero hacer un banco y cobrar sólo el 75-80% máximo de la tensión de carga total. Por ejemplo, si tengo un banco de condensadores en serie de 15v, yo sólo cobrará a 12.5-13v. Esto desperdiciaría ligeramente en la capacidad, pero no vas a tener problemas de exceso de carga, como todas las tapas en el Banco todos correrán 75-80% de la carga máxima. Puede probar esto por ti mismo.
Hay muchas otras opciones, como el uso de una red de divisor de resistencia, diodos y circuitos de purga activa. He encontrado una maravillosa discusión de foro poco (gracias a ultracapacitors.org). El problema con diodos zener es que necesita alto voltaje Zéner que requerirá de disipadores de calor. El problema con la red del divisor de resistencia es que tampoco tienes aplicar resistencias de alta resistencia y carga muy lento, o usar resistores de baja resistencia de alto voltaje, y purgue una tonelada de energía en el proceso. Realmente hay mucho. El problema es que más equilibrio teoría de circuitos se basa en condensadores que son extremadamente pequeños en comparación con los condensadores estupendos.
Ver este enlace para la discusión del Foro:
http://www.ultracapacitors.org/index.php?option=com_fireboard&Itemid=99&catid=8&func=fb_pdf&ID=2247
Si usted está dispuesto a sacrificar parte de su capacidad, mi método preferido es el camino a seguir. Tengo pensado hacer algunos experimentos en el futuro, pero en lugar de proporcionar información directa de que yo no he verificado personalmente, sugiero echar un vistazo a través del documento publicado por encima. Este es un tema muy caliente de la conversación.
Cuando en la serie, el voltaje en cada condensador varía principalmente debido a cada corriente de fuga individual. Se recomienda que utilice los mismos valores de capacitancia en los bancos de su serie. Esto es porque si tienes un condensador con capacitancia alta y un condensador con capacitancia baja, van a velocidades diferentes en base a la carga de la descarga. Algunos tienen más que otros que conduce a un desequilibrio de voltaje. Si se mide el voltaje en cada condensador individual en un banco, se verá sólo por esta; voltaje diferente en cada uno de ellos. Otra vez, si sólo carga a 75-80% de la carga máxima, vas a tener tensiones diferentes en cada uno de los condensadores, pero todos estarán bien dentro del rango de límite de carga.
EN LO QUE RESPECTA AL ESQUEMA PARA ESTE TEMA:
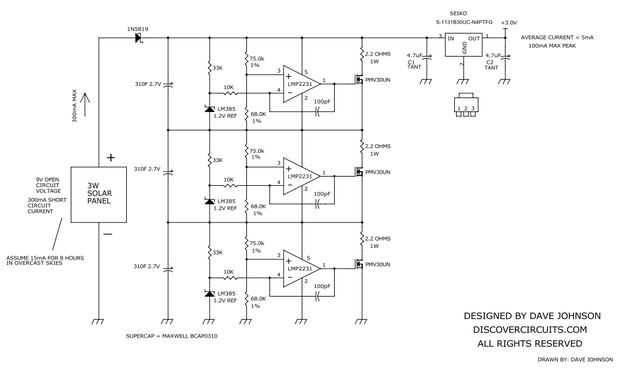
Muchas gracias a David A. Johnson P.E. (Ingeniero) para este circuito. El documento detrás de este circuito se puede encontrar aquí:
http://www.discovercircuits.com/DJ-Circuits/supcapvoltlim.htm
Por el momento, este es el mejor balanceo de circuito que me he topado. Es un circuito personalizado para una carga de 3v, pero fácilmente puede modificarse para adaptarse a otras necesidades. Yo iré a través de la teoría de circuitos, pero Asegúrese de revisar el enlace de arriba! Los 9v 300mA MAX el panel solar se carga un conjunto de tres series super super condensadores. Los diodos 1N5819 bloquea el poder de entrar por el panel solar. La carga de los condensadores super entra en un regulador de 3v que alimenta la carga (circuito de carga no visto aquí). Al utilizar paneles solares, no necesariamente tienes que limitar la carga con un resistor, como usted no dañará la célula solar si toda la energía que está creando. Utilizando un transformador de pared combinado con decir un LM317 variable DC power suministro IC, es muy importante utilizar una carga resistencia de limitación.
Cada condensador tiene su propio circuito de limitador de carga, y tengo que decir que es ingenioso! Cada uno de los tres condensadores se ata a un circuito comparador. Cada circuito comparador actúa para drenar el condensador hasta 2.65v si el voltaje en la entrada positiva supera a 1.2v. Esto es donde la personalización entra en juego. Puede utilizar este circuito como referencia y realmente ir a la ciudad con su modiification. Estos condensadores tienen un límite de carga de 2.7v. El ingeniero que diseñó esto quería cada tapa con cargo a un máximo de 2.65v (tres de ellos son la serie sería igual a 7.95v). 7.95v entonces se alimenta en un regulador de voltaje de 3v, que es redundante para esta discusión. Hay un 33 resistencia protectora de k ohm en serie con el 1.2v Diodo zener que establece la 1.2v referencia en la entrada negativa del comparador. En la entrada positiva del comparador, hay una red de resistencia que consta de una k 75 y un resistor de k 68.
Algunos cálculos:
2.65V / (75 + 68) = 0.01853...
0.0185 x 68 = 1.26v (áspero)
Este cálculo significa que cuando vemos la tensión en el lugar del condensador a 2.65v, ver más de 1.2v en la entrada positiva.
Cuando hay 2.65v o más en cada condensador, habrá más o menos 1.26v en la entrada positiva del comparador. Cuando hay más tensión en la entrada positiva que hay en la entrada negativa, la salida del comparador se activa, activando el FET, que drena la tensión a menos de 2.65v. Cuando el voltaje en el condensador es menos de 2.65v, el voltaje en la entrada positiva del comparador es menor que la tensión en la entrada negativa, que luego desactiva el comparador. Cuando el comparador está apagado, la FET no está drenando. La corriente de drenado por el FET está limitada por una resistencia de 2,2 ohms 1W. Creo que la resistencia de ohmios k 10 entre el 1.2v Diodo zener y la entrada negativa se utiliza para eliminar una tensión de offset y se recomienda en la hoja de datos.
Los amplificadores operacionales como comparadores son micro alimentado. Esto significa que el VCC o requisito del voltaje del suministro de energía es muy bajo; en este caso es 1.6v-5.5v. Lo realmente genial de este circuito es que la DC Tierra no se utiliza de referencia en los parte superior dos circuitos comparador. Los puntos de referencia negativo son los cables negativo de cada condensador estupendo, que hace que el voltaje de funcionamiento de cada circuito es el voltaje en cada condensador individual.