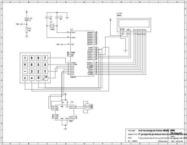
Paso 5: Código completo

En primer lugar tengo ha inicializado LCD para mostrar "Pulse E ingrese para cambiar PWM " luego entramos en un bucle para generar PWM cada vez que entra en un bucle comprueba E ingresar, permanece en este bucle hasta que se pulsa la tecla E, una vez que se pulsa la tecla E cambia la pantalla a " entrar en PWM -" ahora teclado hexadecimal es analizado para obtener el PWM , un número de tres dígitos del 0-255.Now como ahora de la exploración de teclado hexadecimal obtenemos tres dígitos ASCII number.first este número ASCII se convierte en hexagonal enmascarando el nibble alto
ANL A,#0FH ; NIBBLE alto máscara
ahora el número que obtenemos se convierte en número de tres dígitos utilizando convertir motor MUX: MOV B, #10
//---Convert MOTOR---
Convertir:
MOV R3, A; GUARDAR EL NÚMERO EN R3
MOV A, R1;
MOV R2, A; Poner contador en R2
MOV A, R3; EL NÚMERO VUELVE A PONER
MUL AB; MULTIPLICAR 10
DJNZ R2, MUX; dependiendo de la posición
AÑADIR A, R7
MOV R7, A
RET
Cuando se introduce el primer número se multiplica por 100 luego guardado en R7 un contador en R1 se utiliza para mantener la pista del lugar de dígitos y luego el segundo número es multiplicado por 10 y agregar al primer R7 guardado en número y el lugar de la unidad número se agrega para el PWM
después de esta ejecución el programa Salta a LCD para cambiar la pantalla, y luego bucle PWM para girar el motor con PWM nuevo y el ciclo sigue
video
Finalmente el código completo, archivo hexadecimal de archivo y proteus está aquí