Paso 7: Montaje de la electrónica









Uno de los más pasos importantes y tediosas, todo el trabajo de cableado que tiene que hacer aquí. Todo el proceso se ha descrito brevemente a continuación:
Hacer un escudo para Arduino: Esto hace más fácil la parte de conexión y permite el arduino para conectarse y cualquier momento. Utilizando un trozo de placa perforada, la soldadura de algunos encabezados femeninas cada para un pin en el mini pro. Luego soldar cabeceras masculinos junto a todas la mujer que. Verificación, tapando la Junta si todo se hace correctamente.
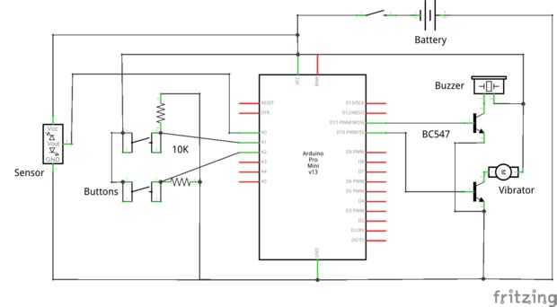
El esquema: El cuadro anterior describe el diagrama esquemático de todo el proyecto. Arduino mini pro en el medio, actuando como la unidad de procesamiento y todos los componentes son luego conectados a él. Se utilizó un transistor BC547 NPN cada timbre y vibrador porque las clavijas de salida de arduino no puede proporcionar suficiente corriente, el transistor actúa como amplificador. 10K representa un resistor de 10 kilo ohmios que es necesario conectar a tierra los botones. Los pines marcados con una 'A' representan clavijas analógicas que se utilizan sobre todo para la entrada, mientras que los pines marcan con una había ' representan los digitales que se utilizan para la salida digital.
El Sensor: Debe ser conectado según las siguientes-
- Señal---Analógico de 0 en Arduino
- Tierra---Gnd
- VCC---+ 5V
Motor: Vibra cuando la distancia del obstáculo va menos de 60cm. Desde la salida de arduino no es suficiente para impulsar directamente un motor, se utilizó un transistor BC547. PIN no. utilizado fue D10 (para las conexiones, consulte el diagrama esquemático)
El zumbador Micro: Pita cuando distancia < 100cm y la velocidad del sonido aumenta con la disminución de la distancia. Como en el caso del motor, un transistor fue utilizado aquí, así. PIN no. utilizado fue D11 (para las conexiones, consulte el diagrama esquemático)
Los botones de disparo: 2 botones fueron agregados a este proyecto, presionar uno de ellos provocaría el modo de zumbador mientras que el otro desencadenaría el modo de vibración. Nº PIN. utilizados fueron A1 y A2 (para las conexiones, consulte el diagrama esquemático)
Algunas de las partes fueron conectados con los cables de puente mientras que otros fueron soldados directamente al escudo.