


Esto le permitirá medir una relación entre una tensión de referencia más alta y un voltaje de entrada. Necesita calcular la tensión real a sí mismo porque la estampilla básica puede calcular números inferiores a 1 (como porcentaje)
Los datos binarios y el valor decimal se mostrará en la ventana de depuración sello básico
Esto se hace en una estampilla básica 2 porque es el microcontrolador solamente que tengo ahora mismo.
(Que va haciendo juguetes y un programador para el PIC16F628A y el PIC16F877A muy pronto.)
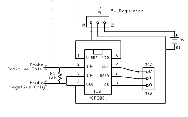
Usted también necesitará un regulador de voltaje de 5v y un regulador de voltaje de 3v (no es necesario)
5V para la tensión de referencia superior y el 3v para el voltaje de prueba de lectura (no es necesario)
La placa de desarrollo aunque ya debe tener una fuente de 5v
Y un MCP3001 analógico al convertidor digital de Microchip en http://microchip.com/ , otro convertidor puede ser utilizado si se utiliza el mismo método para transmitir el resultado de la medición, y puede que necesite modificar el código
hoja de datos:
http://WW1.microchip.com/downloads/en/devicedoc/21293b.pdf