Paso 4: La unidad de control



El controlador está basado en un Arduino ProMicro. El ProMicro utiliza el chip ATmega32U4, que puede actuar como un dispositivo USB HID - así que usted puede utilizar para enviar comandos de teclado a tu Pipo.
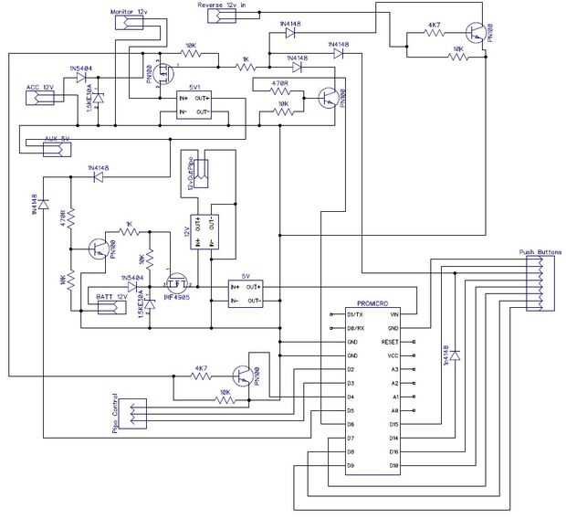
La descripción del circuito: básicamente hay dos entradas de 12V: ACC (en cuando el encendido está encendido) y BAT (siempre encendido) y algunas salidas que pueden ser activados o desactivado por el Arduino: Monitor (cambiado en lugar de constante porque el monitor aparece un indeseable 'pantalla azul' cuando no había ninguna entrada), Pipo (salida de 12V a Pipo), AUX (5V de la salida a un concentrador USB para otros accesorios). También es una señal de marcha atrás 12V entrada para encender al monitor cuando el coche está en marcha (esto es para que una cámara de marcha atrás - a implementarse más adelante).
Las entradas de 12V están protegidas con 2 amp fusibles, diodos anti-inversión de polaridad inversa y diodos TVS para ayudar a suprimir picos de voltaje del sistema de ignición.
La unidad se encenderá cuando el interruptor está encendido y la llave de encendido está en. Cuando la ignición está apagada, la unidad puede permanecer accionada hasta que el Arduino corta la corriente (a través de pin D5), permitiendo que el tiempo de Pipo cerrar. PIN D4 es una entrada contando el Arduino cuando la ignición está encendida, D6 es una salida que permite el Arduino para encender el monitor y aux Pins D2 y D3 conectar al circuito Opto. D15 conduce el LED en el botón de encendido. D14 es la entrada de botón de alimentación. D7, D8, D9, D10, D16 se conecte a los botones.