Paso 2: El esquema





Sugiero para utilizar 2 breadboards estándar, o si lo desea, puede utilizar algunos PCB placa de proto y ponerlo todo junto en 1 lugar. O tal vez puedes hacer un escudo de BuzzWire Arduino... I'dd gusta que :-)
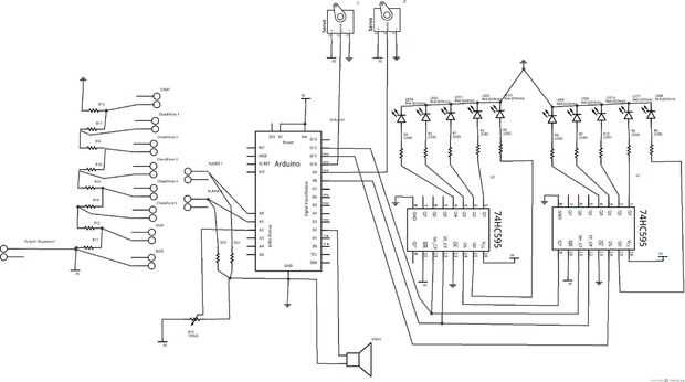
Por ahora podemos pasar por alto el de servo y pernos Player1/Player2 (analogPin 0 y 1 respectivamente). Puede conectar estos cuando las manijas son de construcción.
El pin de señal del servo del player1 el mango irá al pin9 digital y player2 al pin 10
En un protoboard, configuración 2 74HC595 shift-registros y las resistencias a los LED... También puede poner bajo los LEDs en la protoboard para probar antes de ponerlos en la plataforma si quieres.
En cada registro de cambio las salidas Q0 - Q4 se utilizan, que representa los puntos de control 1-5 para ambos jugadores (IC conectado a arduino es player1)
Pin de datos está conectado al pin11 I/O en arduino.
Reloj pin se conecta al pin12 I/O en arduino.
Clavija de enganche está conectado a pin8 de I/O en arduino.
Un montón de información útil, incluido cómo conectar el 74HC595 puede encontrarse en http://www.arduino.cc/en/Tutorial/ShiftOut
Conecte un extremo del altavoz i / 0 pin2 en el arduino y el otro extremo a la tierra. No hay mucho que explicar aquí.
En el segundo tablero, creado un divisor de voltaje con 8 resistencias de 220ohms, uno de los extremos a masa, otro de 5V de arduino.
Esto se utilizará para hacer los 5 puntos de control, Inicio, final y detección del tocado de alambre en el arduino solo 1 pin por jugador.
El + 5V lado posteriormente se conectarán a la BuzzWire, después de la primera resistencia a partir de ahí hasta el contacto final, junto a los contactos de checkpoint5, luego 4 y así sucesivamente hasta 1,
Antes de la última de ellas es el contacto de start. (no te preocupes, cómo hicimos el comienzo fin y trata de contactos de los puntos de control en los pasos de construcción!)
Más tarde cuando hicimos el "anillo variable" con el cable de acero, te conectamos a analógicos pines 0 y 1. Y a través de un resistor 10 de k al suelo.
Último Conecte un potenciómetro (10K o algo) en su protoboard entre + 5V en GND y gancho sensorpin para arduino de analógica Pin2. Esto se utilizará para ajustar la dificultad (velocidad) del juego.
Ahora vamos a ir tomar una corta mirada al código,